✨ New Arrivals Just Dropped!Explore

1 / 3
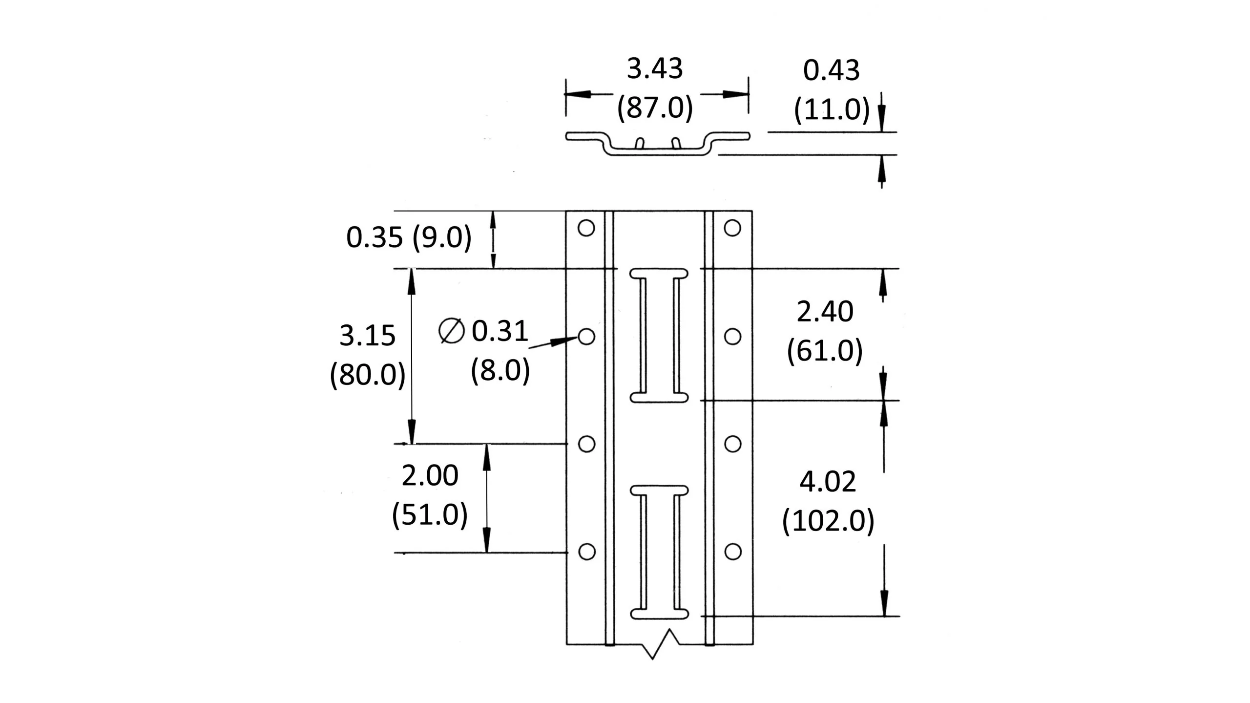
CTS Vertical E-Track - 10ft
- E-Track can be installed onto the wall or floor of any trailer with ordinary screws or rivets
- Use them with logistic straps or decking beams to secure cargo and separate loads
- The track placed on the floor can be used for load securement or hauling automobiles
- E-Track can be installed onto the wall or floor of any trailer with ordinary screws or rivets
- Use them with logistic straps or decking beams to secure cargo and separate loads
- The track placed on the floor can be used for load securement or hauling automobiles
$59.95
CTS Vertical E-Track - 10ft—
$59.95
Description
- E-Track can be installed onto the wall or floor of any trailer with ordinary screws or rivets
- Use them with logistic straps or decking beams to secure cargo and separate loads
- The track placed on the floor can be used for load securement or hauling automobiles















